Selbstbau auf Raspberry Pi - Basis


Geht also auch. Schon mal getestet (mit Pandora)? Dann kann man sich den Monitor / Tastatur und Maus sparen.
 
Ich habe für die Pandora leider noch keinen RDPServer gefunden. FreeRDP ist ein Client damit kann ich andere Rechner fernsteuern aber ich kann leider nicht die Pandora von einem anderen Rechner aus befummeln...
Evtl. mit VNC.

Zurück zum Thema ;)

Nach zähem Ringen, viel Fluchen und Gemecker auf die Foundation... <_<

Der Tochscreen-Treiber für mein obern verstecktes PiTab ist im PreBeta-Stadium.
Ein kleines stümperhaftes Video ist hier zu finden. ;)
 
Soll ich mal schauen ob sich FreeRDP für die Pandora porten lässt die Tage?
Hast du da nen guten Link zu den Sourcecodes?
 
FreeRDP git es bereits für die Pandora
https://repo.openpandora.org/?page=detail&app=freerdp
ist leider ein Client.
Ein Server, wie xRDP wäre gut.
 
Hab gestern mal Xrdp probiert zu portieren aber brach dann immer ab mit libcommon.so Fehlern.
Heute Abend probiere ich mal ne ältere Version oder es mal anstatt Codeblocks mit dem älteren DevTools.

Also Vnc nutzte ich schon an der Pandora als Server.
Ich glauber dass der Befehl im Terminal einfach:
startvnc war bin mir aber nimmer sicher da das lange her war.

Vielleicht bekomme ich ja was hin für dich.
Im Repo ist QtBrynhilde..wäre eventuell auch was für dich weils auf rdp basiert.
Weis nur ned obs nur der Client ist ausm Stehgreif.

Lg Ingo
 
VNC habe ich auch schon genutzt aber das ist merklich langsamer als RDP.

Danke für Deine Mühe. Bin gespannt.
 
Vielleicht kann ich mir diese Libcommon.so ja aus der FreeRDP Pnd klauen..hehe.
Ich probiers mal aber versprechen tu ich nix.
Komme sowieso erst frühestens um 21 Uhr wieder dazu wegen meinen Achsotollen Arbeitszeiten.
Bin morgens um 9 ausm Haus und komme Abends kurz vor 21Uhr wieder heim.

Edit:
Moin..hab gestern geschafft wenigstens ne ältere xrdp Version zu kompilieren.
Das kompilieren lief durch aber irgendwie konnte ich nix starten und keine Gui erschien.
Werde heute Abend nochmal probieren :D
Ist entspannend Abends da zu probieren.
Meine Arbeit laugt mich momentan so aus dass ichs nedmal schaffe Abends noch ein Diskettenlaufwerk mit Cardreader in meinen PC einzubauen.

Hoffe dir gehts besser Raik :D
 
Habe das GPS Teil aus dem RISC OS Faden mal an mein PiTab gestöpselt. Läuft und lässt sich tatschend auch bedienen. Nun muß ich die Kiste noch ein wenig umräumen, dann kann ich das auch fest einbauen :juhu:
 
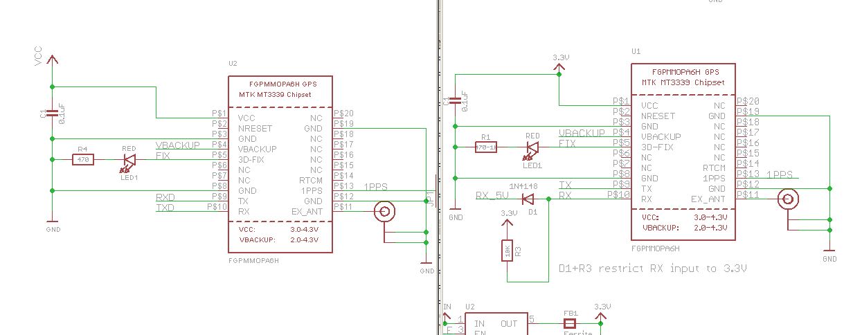
Habe mir ein kleineres GPS Module von Adafruit (Ultimate) besorgt. Läuft leider nicht... bis heute.

Habe mir die Schaltpläne angesehen und ein paar kleinere Änderungen vorgenommen...
R3 entfernt (keine 3,3V mehr an RX), Bestromung via 3,3V (eigentlich 5V, wird aber intern runtergeregelt). Damit läuft es dann sowohl mit der Pandora, als auch mit meinem PiTab. :juhu:
GPS_vgl.jpg

Ein Eingebaut ist es auch schon. Ob Platz in der Pandora ist... eher nicht.
Innen_GPS_kl.jpg

... und noch eine ext. Antenne nachgerüstet. Hab vorhin mal meinen Weg zur Arbeit aufgezeichnet. Funktioniert.
 
Nachtrag: Der letzte, hoffentlich endgültige Stand...

PiTab_i_la_800.jpg


... nu is wieda die Pandora dran mit die Verstümmelung... comming soon ;)
 
Komisch, ich dachte immer das Raspberry Pi Board wäre etwas größer,,
kann aber auch sein das du daran rumgeschnippelt hast, man braucht ja nicht alle Sachen vom RAPI Board..
Ganz interessant was die Leute alles mit den Dingern machen, ich persönlich würde mir maximal das Board holen, einen Controller, Netzteil und ein ganz günstiges Massenproduktionsgehäuse und mir daraus ein Spiele Station mit Retro Pi machen..
aber dafür hab ich ja bald die Pyra..

Immer interessant diese ganzen Mods
 
Hab mal ein olles Foto rausgesucht...

Bordvergleich.jpg


Links Pi Zero, Mitte A+ (das in der Schachtel) und Modell B+...
 
Das heißt du hast dir im Grunde eine Kiste für das Pi A+ gebaut, und alles darein gestopft,
allerdings blieb das Raspberry Pi noch ganz..

Ich verfolge halt manchmal die Ben Heck Show, und der schneidet manchmal einfach das vom Board weg was nicht gebraucht wird..
 
Ich hab mir tolles Snes Gehäuse für meinen Rasperry Pi 2 B+ bestellt.
Das Ding sieht Hammertoll aus.
Bin gespannt wanns kommt.
Ich poste dann Bilder hier :D
 
Bilder sind da :-D
 

Attachments

  • photo_2017-04-24_17-46-17.jpg
    photo_2017-04-24_17-46-17.jpg
    84.9 KB · Views: 3,494
  • photo_2017-04-24_17-46-23.jpg
    photo_2017-04-24_17-46-23.jpg
    91.8 KB · Views: 3,497
  • photo_2017-04-24_17-46-27.jpg
    photo_2017-04-24_17-46-27.jpg
    115 KB · Views: 3,496
Von Aussen sieht schon sehr gut aus...

Viel mehr interessiert mich Innen ;)
 
Innen ist nix soo besonderes.
Ein Rasperry Pi 2 Model B+ ohne irgendwelche Kabelverlegungen oder dergleichen :D
 
Back
Top