Audio via headset


Yes, system is up to date (apt update/ upgrade done, otherwise you get errors in synaptic)
noise appears at any level of volume. I'd like to test it without x-server running, but I don't know how to get there (the usual ALT+CTRL F! trick doesn't get me to the shell. Also I don't know how to boot into another runlevel.
Wanted to test on cli with mgp321 or similar (is there a ogg321?)
Maybe a silly thing but mine had more issues when the screws were not completely tightend (I had a little bit of a gap between bottom and top of the keybord part) when I tightened the screws sound was beter strangely.
Post automatically merged:

To some constructive question: Is it possible to set the softwareswitch, that is supposed to recognize the kind of headset to a specific one?

I think this kind of switching behaviour is intended, it just not implemented, hence evildragon put up these dev tasks and will even pay for them but nobody stepped up to do them. One of the tasks was fix the sound. So if you know or are a lowlevel sound person please help...
 
Whell, the Idea behind the Airpods isnt that dump: Instead of having one Headphone whit a Cable which somethimes could get caught by moving machines in a Ghym or somethings, you have 2 Ear Pieces which ditnt have a Cable whyle they are used,
also you can just use 1 Eear Piece to listen to music, and when its batterie is empty, just use the second whyle the first is back in the case..
My plan was to use the new JBL which are also "True Wirreless" on the Pyra but these things are much morse than the Airpods as they dont work whitout an App, whyle the Airpods where quite comunicative to every Bluetooth Device..

I also got the Cable Headphones to work, but its much Easier whit Bluetooth at the moment....
 
The TS3A227ERVAR is apparently on the I2C bus, and at address 0x3b according to the schematic, but I don't know what you can achieve by talking to it. I'm not sure it's the kind of switch you want to address mind you, it only detects between apple TRRS and older TRRS standards where mic and ground are switched round. I'm not sure what you'd get other than headphones you need to hold down the mic button to get a functioning ground for hearing it if you were to switch it the wrong way.
 
It was more a guess if the switching capability of that part might be the cause of the noise because it isn't properly use atm.
Might be complete nonsense on my side, though.
 
I remembered I had written about these things before, here's a paste from one of my posts in the current state of pyra thread

F6 -> Select Letux Cortex 15
Move all the way right to Vibra Right
Arrow up to switch on.
HF DAC (Handsfree) seem to be the speakers
HS DAC (Headset) is the headphones output
These are all seperated mono output devices and have to be set on/off manually if you want output to either one and not both.
Vibra Left gives me noise on the speakers btw
deactivated everything except the earphones there. No change.
 
If he is using headphones with a built in mic, it would mostly be silent when you hold down the call accept button, but you'd hear noise when it's crackling. That might be a good test actually.
 
The type of connector doesn't really matter there is a chip that detects where the ground wire is and deals with it accordingly. It's prob overkill now that everything went with the Apple standard.

Honestly would rather miss this one odd feature for a more simplified Pandora like Sound system that didn't eat CPU cycles dealing with volume control.
 
  • Like
Reactions: rSl
The type of connector doesn't really matter there is a chip that detects where the ground wire is and deals with it accordingly. It's prob overkill now that everything went with the Apple standard.
Could that be a hardware hack coming up? Would it perhaps solve that problem by disable that chip and rewire it to on standard. Haven't looked up the schematics (where are those btw), but in general it seems:
2 wires from headphne jack -> into that chip -> to ground and mic
Remove the chip and put 2 wires, which connect the pads accordingly...
(I guess it's more complicated than that, but generally?)
Honestly would rather miss this one odd feature for a more simplified Pandora like Sound system that didn't eat CPU cycles dealing with volume control.
exactly what I mend earlier, but couldn't express is to the point like you.

BTW: Same problem with earphones only (3 rings jack, no mic)
 
Last edited:
Could that be a hardware hack coming up?
Yeah I'm not sure, I like to think that this may just be a device tree configuration issue causing the sounds problems and not an underlining issue with the hardware. So I'm not going to do anything drastic yet. I would also hate to do such a hack and have the sound issues still persist.

Haven't looked up the schematics (where are those btw)

Well the Schematics are here on the first post. Some of the audio circuitry is odd to read, I believe the X'd out components were if they went with a more traditional audio system.


I'm also curious if some smarter coding of the volume system could lead to less CPU usage.
 
Well the Schematics are here on the first post. Some of the audio circuitry is odd to read, I believe the X'd out components were if they went with a more traditional audio system.
I also have some schematics dated 2019-07-24, but I don't know where these came from. These boards somewhere presumably. But I don't think anything has changed on the Audio headset page apart from the removal of the links for the alternative amplifier option. These seem to have been ripped out wholesale leaving for example pin 6 of the headphone jack tied to pin 3 of the jack and not externally fed to anything any more.
 
I also have some schematics dated 2019-07-24, but I don't know where these came from. These boards somewhere presumably. But I don't think anything has changed on the Audio headset page apart from the removal of the links for the alternative amplifier option. These seem to have been ripped out wholesale leaving for example pin 6 of the headphone jack tied to pin 3 of the jack and not externally fed to anything any more.
Okay found it on a massive search or something with almost the same date... linked here in the Hacking section of the main Wiki page... but not actually in the Hacking section of the wiki... odd.


Direct Link: https://pyra-handheld.com/boards/attachments/20190717-dragonfly-schematics-zip.37020/

Edit: hmm so who knows where that newer date schematic came from...
 
Last edited:
Yes, the audio headset page looks identical on that slightly earlier dated one at least. If that's all we need that will certainly do.

Edit: Yes, those files look to be binary the same as the ones I have dated the 24th. I think they're the same files, just with differing filenames.
 
The volume wheel polling rate is probably defined by a daemon, I haven't looked in to that... Maybe it can be changed?
The Alsa part I did once start looking into...
I figured maybe it's just some sort of config text file that needs to be edited to bundle mono channels and perhaps name properly but alas... I think that's audio driver side and I don't know anything about that...

I also wanted to try the FM radio device but I couldn't get that to work yet either... Anyone have a clue about that?
 
I think so?
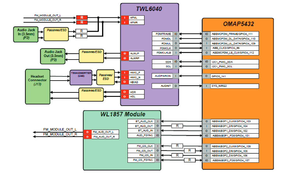
It's there in the Alsamixer and can also be seen on this image taken from the omap5432 reference manual

1636500804184.png


1636501804843.png





The gain structure on my Pyra is a mess btw and I have no clue which volume I'm controling with the encoder
 
Last edited:
FM Radio wouldnd make much sense, as i heard this will get dissabled some time in the future to get new frequences for Mobile Broadcast (6G or something)..
At least i though it gets dissabled in Germany the next few Years, but then i read that its will be not for 2028 or something..
Full of Panic i bought a Bluetooth FM Transmitter for my Car to at least listen to my Apple Music ^^,
At least its no loss as its nice to have..
 
Back
Top